这篇文章主要介绍了MAGNAKULI15破解版软件的功能和特点。作为一款专业的汽车热管理工具,它提供了全面的计算模型,能够帮助用户快速获取可靠的数据,并且在新版本中提升了计算速度和稳定性,使用起来更加流畅。文章还详细介绍了软件的功能模块,比如基础、高级、空调、驱动等,每个模块都有特定的应用场景和技术支持。此外,新版软件新增了许多实用功能,包括对多种制冷剂的支持、自动解包丢失组件以及增强的消息记录机制等。破解教程也简单易懂,用户只需按照步骤操作即可激活使用。总的来说,这款软件非常适合汽车工程师和研究人员用于热管理和优化设计,虽然破解版可以免费使用,但考虑到软件的专业性和复杂性,建议用户还是选择正版以获得更好的支持和技术更新。
MAGNAKULI15破解版是一款专门用于汽车热管理的软件,提供了非常全面的计算模型,可以帮助用户轻松获得可靠的数据。同时该新版本中还提升了计算速度和稳定性,能够带来更好的使用体验。而在功能上也是有所突破的,不仅提供了更多的设置组件和控制策略,还有更加灵活的模块结构。此外该版本中还带有破解补丁,可以免费激活。
破解教程
1、在本站下载压缩文件解压点击KULI-Setup_150000.exe文件进行安装

2、选择语言后点击安装;

3、安装完成后退出安装向导;
4、将Crack文件夹下的文件移动替换到软件目录;
默认路径:C:\Program Files\ECS

5、打开软件将点击Add License File进行添加magnaecs_SSQ.dat许可文件即可完成破解。

新版特性
1、重新设计KULI计算内核的架构,确保完整一致的64位支持以及更好的内存处理和系统稳定性
2、现在支持动态求解器的扩展,特别是并联流冷却器和油路,可以通过致动器等设置管和电路的初始温度。
3、根据计算控制器中用户定义的公式的变化,记录机制以及材料属性的计算类型,减少计算时间
4、在打开scs文件期间支持,可选择自动解包丢失的组件
5、通过上下文菜单快速查找信号接收器的来源。
6、用于乘客舱和EXV的附加传感器和执行器
7、额外的制冷剂R290,R32,R454c和R410a基于NIST标准
8、在过滤器的帮助下,更容易在KULI实验室的项目树中选择结果
9、可以更改KULI实验室中2D图表轴给出的单位
10、增强的消息和错误记录机制

软件特色
1、发动机动力升级
2、进气面积减少(造型变化)
3、更多组件/助剂
4、新的动力总成技术
5、立法标准
6、暖通空调舒适性和性能
软件功能
1、KULI 基础
如果要开始一个项目,首先必须确定关键的工况。
通常可将冷却系统设置为稳态工况。在 KULI 基础的帮助下,可以处理以下典型工作:
计算每个内置组件和整个系统的性能(结果为温度、压力损失、体积流量、排热……)
为不同的介质设计发动机冷却组件,如:
冷却液
不同类型的油
增压空气
废气
评估组件之间的相互影响
通过这些结果,可以继续对系统进行优化。通过使用其他 KULI 模块,可以处理更详细的工作,或者您也可以使用一些自动优化程序。

2、KULI advanced
为了更舒适的工作,避免“手动”重复操作,KULI advanced 模块内置了一些功能,如
参数变化(假设情况分析)
通过定义优化目标和优化参数进行自动优化
KULI 是一种 1D 工具,提供了可整合 3D-CFD 计算结果的接口
将不均匀的气流分布考虑在内
耦合 CFD 代码(协同模拟)
至少用户有与其他软件耦合的可能,例如,已经使用外部程序对风扇或其他电气组件的控制单元进行了编程的情况。
与外部程序的接口,例如
通过 COM 技术
直接访问
到 Matlab/Simulink
3、KULI hvac
由于乘客舒适性越来越重要,KULI hvac 是您空调系统尺寸设计的正确解决方案。
KULI hvac 模块可以作为独立的程序使用,也可以作为 KULI 基础的辅件使用。
KULI hvac 能够
根据制冷剂充注量、COP (coefficient of performance) 和控制策略设计和优化制冷剂回路
使用不同的制冷剂进行模拟,如 R134a、CO2、R152a 或 R1234yf
使用多区域乘员舱模型分析乘客舒适度
确定乘客乘员舱的各种快速采暖或降温措施
当 KULI hvac 与 KULI 基础一起使用时,可以观察到制冷剂回路中的部件与发动机冷却回路中的部件的相互影响。在考虑诸如电动汽车的电池冷却系统的最新发展时,这是一个重要的方面。
4、KULI 驱动
校准稳态模拟模型后,可以完成项目的下一步。
您可以定义客户特定的行驶循环,或使用标准化的行驶工况并执行瞬态模拟(采暖或降温)。
KULI 驱动支持以下功能:
瞬态计算(通过定义不同时间步的工况)
考虑各组件的采暖或降温
4-/5-质量块发动机模型,用于考虑不同温度下的摩擦损失
用热网络来模拟复杂的热相关性
定义工况上的热特性(速度与时间),例如 NEDC、FTP75
设计最优的控制策略,以尽量减少摩擦损失以及能量消耗

5、KULI eco
当今的挑战是降低燃料消耗。
人们采用了多种方式来实现这一目标。使用 KULI eco,您可以选择
废热回收(WHR)系统,例如:Rankine循环、TEG
添加电气元件,如:
电机
电池(多个系统级别,如:单元、模块、电池)
逆变器、转换器
所有这些功能都适用于混动系统(HEV)或真正的电动车(EV)。模拟电池冷却有时可能需要与 KULI hvac 耦合。
6、KULI 组件
采用KULI components模块,您可以得到指定零部件的性能表现一览。
如果用户只想要考虑一些特定的组件,而不考虑其相互影响,那么他可以获得
不同组件的性能比较
扩大测量数据范围(外推法)
测量数据的回归
对采用不同介质的性能进行比较
如果用户有一些可用的测量数据,并想用它们创建 KULI 文件。KULI 组件可提供一个有效的接口自动执行此操作。
KULI compInterface 提供以下接口
C ++
VBA 脚本
做好的 Microsoft Office Excel 输入数据表
支持 COM 技术的任何其他软件
使用教程
1、初始冷却系统布局
设计良好的冷却系统是车辆开发过程中非常重要的一个环节。必要的工作从很早就开始,并且持续至整个开发过程。KULI 可以辅助所有这些阶段中所需的模拟工作。

2、耦合 1D-3D 模拟
在冷却系统开发的后期阶段,可以获得更多的信息。发动机舱区域的 CFD 模型通常可提供流场的详细信息。这些 CFD 模型已经包括来自初始冷却系统设计的冷却模块信息。

3、冷却系统优化
在冷却系统开发的后期阶段,冷却系统的流体侧也将被更详细地建模,从而以较高精度模拟各种部件(热源和水槽、热交换器)之间的热分布。借助 KULI 信号路径,可以很容易地纳入一个控制策略,使节温器、水泵、阀、风扇得到优化,从而确保以最低的能量需求实现充分冷却。这对于混合动力汽车和电动汽车以及一般的瞬态模拟来说尤其重要。

4、轨道交通冷却系统
通过KULI,您可以为柴油动力或电力动力铁路应用的冷却系统建模。在该特定应用中,有一个带三个冷却器的顶置冷却系统。一个用于冷却电气和电子部件的低温回路,一个用于发动机冷却的高温散热器,还有一个中间冷却器。

5、乘员舱降温
为了识别乘客乘员舱不同区域的温度,会显示设置 KULI 系统的工作流程。
在瞬态模拟中,可以得到HVAC 系统对夏季降温模拟或冬季采暖模拟的影响。

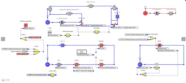
6、电动车行驶里程预测
KULI 可实现采用 KULI 电池模型、KULI 电机模型和 KULI 电力电子模型(DC/DC 或 DC/AC)为电动汽车冷却系统轻松生成模拟模型。除了一般的热管理(例如:冷却模块设计和布局)和能源管理(例如:电力传动的热损失研究)之外,车辆行驶里程的预测也是一个主要的应用途径。
































共有 0条评论